Наряду с защитой от ограбления и пожара, система безопасности Ajax может предотвратить затопление объекта — вследствии прорыва трубы или неисправности сантехники. Для реализации антипотоп системы понадобятся датчик протечки воды LeaksProtect, совместимый электроклапан, а также реле WallSwitch или Relay.
Реле позволяет перекрывать подачу воды не только вручную через приложение, но и автоматически — по тревоге датчика протечки, по расписанию или смене режима охраны.
Установка WallSwitch и Relay осуществляется только квалифицированным электриком! Независимо от типа электроцепи, в которой размещается прибор.
Реле служат для размыкания и замыкания электрических цепей и могут использоваться для управления питанием электроприборов.
- Relay — слаботочное реле дистанционного управления с беспотенциальным «сухим контактом».
- WallSwitch — силовое реле дистанционного управления питанием со счетчиком энергопотребления.
Оба устройства управляются дистанционно через приложение Ajax. Приложение позволяет настроить автоматическое замыкание и/или размыкание контактов реле при изменении состояния охраны и использовании «ночного режима».
Как выбрать электроклапан для перекрытия воды
Электроклапан открывает и перекрывает воду при получении электрического сигнала. При выборе электроклапана обратите внимание на такие параметры:
- Диаметр трубы и тип резьбового соединения фитинга.
- Тип клапана. Клапаны бывают нормально закрытыми и нормально открытыми. Также существуют специальные электроклапаны с двумя устойчивыми состояниями, меняющие их при подаче импульса постоянного тока.
Как правило, используются нормально закрытые клапаны, они перекрывают воду при пропаже внешнего питания. Нормально открытые клапаны при пропаже питания остаются открытыми.
- Напряжение питания. Электроклапаны работают от различного напряжения постоянного и переменного тока: 230 В АС, 24 В AC, 24 В DC, 12 В DC и др.
- Наличие ручного управления. Поворотный механизм позволяет управлять электроклапаном вручную, как и обычным краном. Это позволяет перекрыть воду, даже если телефона нет под рукой.
- Количество входов управления — с одним или двумя входами управления либо управляемые сменой полярности электросигнала на входе.
Для реализации системы перекрытия воды на базе системы Ajax лучше всего использовать нормально закрытые клапаны с одним входом управления — для подключения клапанов этого типа не потребуются промежуточные реле. При использовании импульсных клапанов приложение Ajax не будет знать состояния клапана: открыт или закрыт. С Relay используются электроклапаны, работающие от 12/24 В, с WallSwitch — от 230 В.
У клапана должно быть два источника питания: основной от электросети объекта и резервный от аккумулятора. В таком случае вы сможете перекрыть воду даже если в здании пропадет электричество. Резервное питание в 12/24 В обеспечить легче и дешевле, чем 230 В.
Принципиальная схема подключения Relay к электромагнитному клапану на 12/24 В
При монтаже и эксплуатации придерживайтесь общих правил электробезопасности при использовании электроприборов, а также требований нормативно-правовых актов по электробезопасности.
При потере питания контакты Relay находятся в разомкнутом состоянии. После восстановления внешнего питания, контакты Relay возвращаются в исходное состояние.
Подключение к электроклапану с одним входом управления
Для подключения по схеме необходимо иметь источник внешнего питания 12/24 В!
Relay и электроклапан можно запитать от одного источника питания. При установке не допускайте попадания влаги на Relay или на места соединения кабелей.

- Подключите источник питания к клеммам питания реле.
- К одной из клемм контактов Релай подключите «+» источника питания, а также к клемме контактов реле — «+» (вход управления) контактов электромагнитного клапана.
- Контакт «–» электромагнитного клапана подключите к «–» источника питания.
При такой схеме подключения Relay будет управлять перекрытием электромагнитного клапана.
Примеры клапанов:
- PIE T20-S2-B
- CONVA A20-T25-S2-C
- Ebowan 12 V DC
Управление электромагнитным клапаном 12/24 В DC с одним входом управления
Настройка Relay
- Перейдите во вкладку Устройства.
- Зайдите в меню Relay, перейдите в Настройки
и выберите Бистабильный режим работы, а также задайте Исходное состояние контактов — Нормально разомкнут.
Подключение к электроклапану с двумя входами управления
Для подключения по схеме необходимо иметь источник внешнего питания 12/24 В и промежуточное реле типа SPDT на 12/24 В!
Relay, промежуточное реле и электроклапан можно запитать от одного источника питания. При установке не допускайте попадания влаги на Relay, промежуточное реле или на места соединения кабелей.

- Подключите источник питания к клеммам питания Relay.
- К одной из клемм контактов Relay подключите «+» источника питания, а к другой клемме контактов Relay — клемму «+» промежуточного реле.
- Контакт «–» электромагнитного клапана (общий контакт) и «–» промежуточного реле подключите к «–» источника питания.
- Клемму «COM» промежуточного реле подключите к «+» источника питания.
- Клемму «NC» промежуточного реле подключите к управляющему входу открытия электроклапана, а клемму «NO» к входу закрытия.
При такой схеме подключения Relay будет управлять перекрытием электромагнитного клапана.
Примеры клапанов:
- Neptun Bugatti PRO 12 В (Нептун)
Управление электромагнитным клапаном 12/24 В DC с двумя входами управления
Настройка Relay
- Перейдите во вкладку Устройства.
- Зайдите в меню Relay, перейдите в Настройки
и выберите Бистабильный режим работы, а также задайте Исходное состояние контактов — Нормально замкнут.
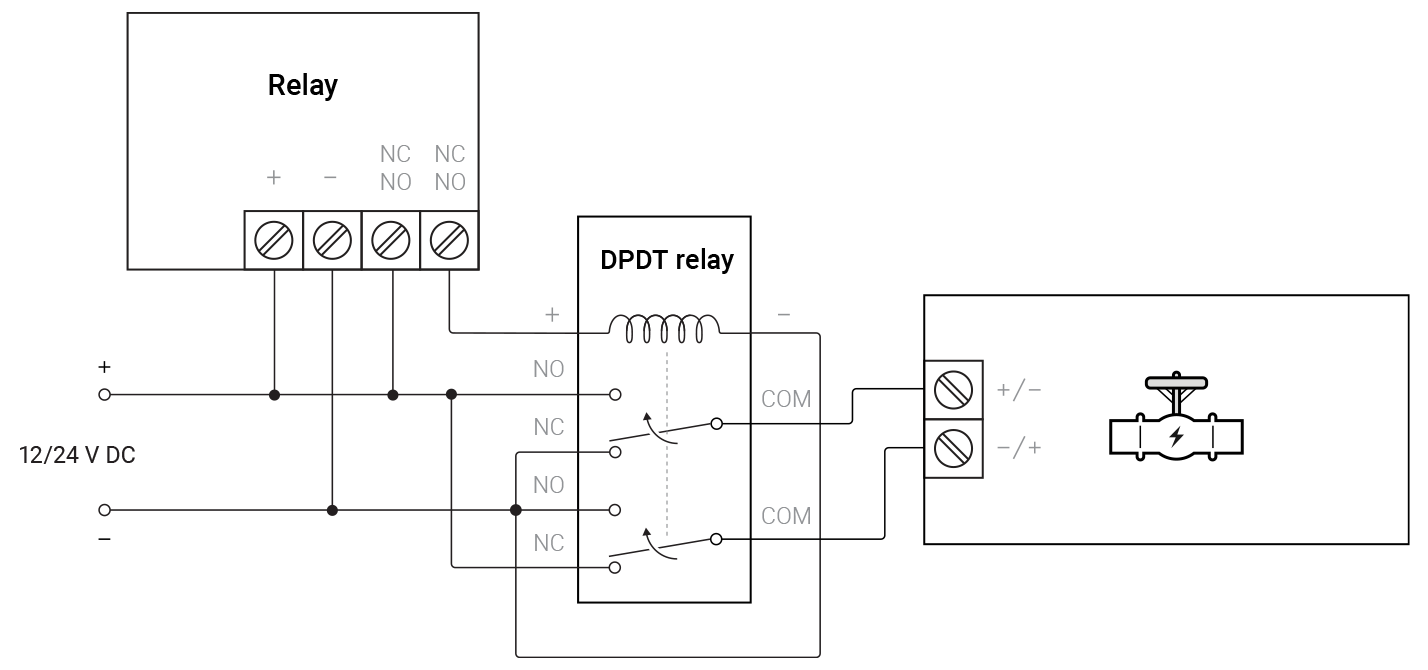
Подключение к электроклапану с входом управления “смена полярности”
Для подключения по схеме необходимо иметь источник внешнего питания 12/24 В и промежуточное реле типа DPDT на 12/24 В.
Relay, промежуточное реле и электроклапан можно запитать от одного источника питания. При установке не допускайте попадания влаги на Relay, промежуточное реле или на места соединения кабелей.

- Подключите источник питания к клеммам питания Relay.
- К одной из клемм контактов Relay подключите «+» источника питания, а к другой клемме контактов Relay — клемму «+» промежуточного реле.
- Клемму «NO» первого реле подключите к клемме «+», а клемму «NC» к «-» источника питания.
- Клемму «NO» второго реле подключите к клемме «—», а клемму «NC» к «+» источника питания.
- Клемму «COM» первого промежуточного реле подключите к первому входу управления, а клемму «COM» второго реле ко второму входу управления электроклапана.
- Контакт «–» промежуточного реле подключите к «–» источника питания.
- Клемму «NC» промежуточного реле подключите к первому управляющему входу, а клемму «NO» ко второму.
При такой схеме подключения Relay будет управлять промежуточным реле, которое подает на входы управления электроклапана напряжение различной полярности. Полярность входного напряжения определяет состояние электроклапана: открыт или закрыт.
Примеры клапанов:
- COVNA A20-T15-S2-C
- CVX-15N
Управление электромагнитным клапаном 12/24 В DC с управлением сменой полярности
Настройка Relay
- Перейдите во вкладку Устройства.
- Зайдите в меню Relay, перейдите в Настройки
и выберите Бистабильный режим работы, а также задайте Исходное состояние контактов — Нормально замкнут.
Принципиальная схема подключения WallSwitch к электромагнитному клапану на 230 В AC
При монтаже и эксплуатации придерживайтесь общих правил электробезопасности при использовании электроприборов, а также требований нормативно-правовых актов по электробезопасности.
Подключение к электроклапану 230 В AC с одним входом управления
Для подключения по схеме необходимо иметь источник внешнего питания 230 В!
WallSwitch и электроклапан можно запитать от одного источника питания. При установке не допускайте попадания влаги на WallSwitch или на места соединения кабелей.

- Подключите источник питания к клеммам питания WallSwitch соблюдая полярность.
- Выходную клемму «N» (ноль питания) WallSwitch подключите к клемме «N» электроклапана.
- Выходную клемму «L» (фаза питания) WallSwitch подключите к входу управления электроклапана.
- Клемму «L» электроклапана подключите к фазе 230 В источника питания.
- Заземлите контакт «PE» электроклапана.
При такой схеме подключения WallSwitch будет управлять перекрытием электромагнитного клапана. При замыкании контактов WallSwitch клапан закрывается. При размыкании — открывается.
В некоторых клапанах можно выбирать нормальное состояние: открыт или закрыт при замкнутом входе управления (input).
Примеры клапанов:
- ESBE MBA 100 series
- Neptun HC220В
- 2W-160-15C
Управление электромагнитными клапанами 230 В AC с одним входом управления
Дополнительной настройки WallSwitch через приложение не требуется.
Нажмите на переключатель в строке WallSwitch — состояние контактов реле изменится на противоположное.

При замыкании контактов WallSwitch на электроклапан подается питание и он закрывается. При размыкании — на вход управления не подается питание и электроклапан открывается.
Подключение к электроклапану 230 В AC с двумя входами управления
Для подключения по схеме необходимо иметь источник внешнего питания 230 В и промежуточное реле типа SPDT на 230 В.
WallSwitch, промежуточное реле и электроклапан можно запитать от одного источника питания. При установке не допускайте попадания влаги на WallSwitch, промежуточное реле или на места соединения кабелей.

- Подключите источник питания к клеммам питания WallSwitch соблюдая полярность.
- Выходную клемму «N» (ноль питания) WallSwitch подключите к клемме «N» промежуточного реле, а клемму «L» (фаза питания) WallSwitch подключите к клемме «L» промежуточного реле.
- Клемму «COM» промежуточного реле подключите к «L» источника питания.
- Клемму «NC» промежуточного реле подключите к входу управления открытием электроклапана, а клемму «NO» к закрывающему входу.
- Клемму «N» (ноль питания) электроклапана подключите к «N» источнику питания и заземлите контакт «PE» электроклапана.
При такой схеме подключения WallSwitch будет управлять перекрытием электромагнитного клапана.
Примеры клапанов:
- Neptun Bugatti Pro 220 В
Управление электромагнитными клапанами 230 В AC с двумя входами управления
Дополнительной настройки WallSwitch через приложение не требуется.
Нажмите на переключатель в строке WallSwitch — состояние контактов реле изменится на противоположное.

При замыкании контактов WallSwitch на электроклапан подается питание и он закрывается. При размыкании — на вход управления не подается питание и электроклапан открывается.
Управление электроклапаном в приложении Ajax
Нажмите на переключатель в строке реле — состояние контактов реле изменится на противоположное.

При замыкании контактов реле на электроклапан подается питание и он открывается. При размыкании — электроклапан остается без питания и вода перекрывается.
Автоматическое управления электроклапаном
Чтобы управлять одним или несколькими электроклапанами при постановке/снятии системы безопасности с охраны, при тревоге или нажатии Button, а также по расписанию — создайте сценарий. Сценарий по тревоге датчика протечки позволяет создать автоматическую антипотоп систему, которая будет перекрывать воду без вмешательства пользователя.
Сценарий можно создать в настройках реле: Устройства — Relay (или WallSwitch) — Настройки
— Сценарии.
Подробнее: Как создать и настроить сценарий в системе безопасности Ajax